MPSインダクタ内蔵DCDCモジュールMPMシリーズ 複雑なFPGA電源をシンプルに
MPS社(Monolithic Power Systems)は、独自のプロセス・パッケージング技術で電源IC業界をリードする米国発のアナログ・パワー半導体メーカーです。その中でも「インダクタ内蔵電源モジュールMPMシリーズ」は、DC/DCコンバータに必要な部品を2.5m*2.5mmや1.5mm*2mmの小型パッケージに統合。設計工数と基板面積を削減する「省スペース・ソリューション」として、FPGAとの組み合わせに適しています。
本ページでは、低電圧・高精度・高速応答が求められるGOWIN社FPGAの電源設計において、MPS社のインダクタ内蔵電源モジュールがどのように「開発期間の短縮」と「機器の小型化」を実現するか、GOWIN社FPGAとの組み合わせに最適な2製品と共にご提案します。
関連商品・技術情報
商品基礎情報
GOWIN FPGAのポテンシャルを最大限に引き出す
MPS社インダクタ内蔵電源モジュール:設計工数削減と基板の最小化を同時に達成
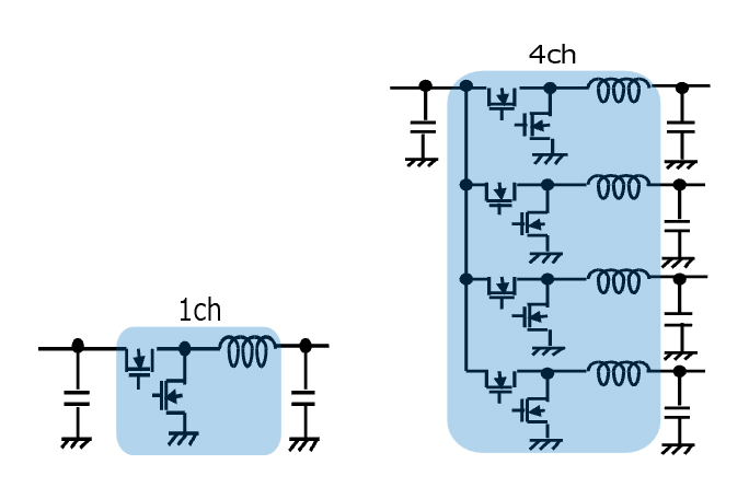
1. Mesh-Connect™技術による小型化
MPS社はパッケージング技術を強みとしています。
- ボンディングワイヤレス構造: 一般的なモジュールと異なり、ICチップとリードフレームを直接接合する「Mesh-Connect」構造を採用しています。これにより、内部抵抗や不要なインダクタンス(寄生成分)を極限まで排除しています。
- 集積: MPM3814Cを例とすると、インダクタを内蔵しながら2.5mm × 2.5mmという、通常のIC単体相当のサイズを実現。基板面積を大きく削減します。
2. 設計の簡素化
電源設計で最も時間を要する「部品選定」と「ノイズ対策」がほぼ完了した状態で提供されます。
- 定数計算が不要: インダクタと制御ICの相性がパッケージ内で最適化されており、ユーザーは外付けのコンデンサと出力電圧設定用の抵抗を配置するだけで動作します。
- レイアウトの自由度:スイッチングノード(大きなノイズ源)がパッケージ内に封じ込められているため、基板上のデリケートなアナログ信号への干渉を気にせず配置できます。
MPM3814Cデータシートより抜粋
3. 優れた高速応答と低ノイズ
- COT(一定オンタイム)制御: 負荷が急激に変動しても瞬時に追従するCOT制御を採用しています。これにより、出力コンデンサの容量(個数)を減らすことができ、さらなる省スペース化とコストダウンを実現しています。
例MPM3814Cデータシートより抜粋
【参考情報】GOWIN社FPGA向けMPS社電源モジュールセレクションガイド
GOWIN社Little Beeファミリの電源仕様とMPS社インダクタ内蔵モジュール電源の提案製品を以下表にまとめました。
|
GOWIN-FPGA |
MPS-DCDC |
|||||
|
LittleBeeファミリ |
VCC |
VCCIO |
VCCX |
VCCD |
① |
② |
|
GW1N-LV1P5 |
1.2V |
1.14~3.6V |
1.71~3.6V |
- |
MPM54304 |
MPM3814C |
|
GW1N-LV2 |
1.2V |
1.14~3.6V |
1.71~3.6V |
1.14~1.26V |
||
|
GW1N-LV4 |
1.2V |
1.14~3.6V |
2.375~3.6V |
- |
||
|
GW1N-LV9 |
1.2V |
1.14~3.6V |
2.375~3.6V |
- |
||
|
GW1N-UV1P5 |
1.8V |
1.14~3.6V |
1.71~3.6V |
- |
MPM54304 |
MPM3814C |
|
GW1N-UV2 |
1.8V |
1.14~3.6V |
1.71~3.6V |
1.14~1.26V |
||
|
GW1N-UV4 |
1.8V |
1.14~3.6V |
2.375~3.6V |
- |
||
|
GW1N-UV9 |
1.8V |
1.14~3.6V |
2.375~3.6V |
- |
||
|
GW1N-UV1P5 |
2.5V |
1.14~3.6V |
1.71~3.6V |
- |
MPM54304 |
MPM3814C |
|
GW1N-UV2 |
2.5V |
1.14~3.6V |
1.71~3.6V |
1.14~1.26V |
||
|
GW1N-UV4 |
2.5V |
1.14~3.6V |
2.375~3.6V |
- |
||
|
GW1N-UV9 |
2.5V |
1.14~3.6V |
2.375~3.6V |
- |
||
|
GW1N-UV1P5 |
3.3V |
1.14~3.6V |
1.71~3.6V |
- |
MPM54304 |
MPM3814C |
|
GW1N-UV2 |
3.3V |
1.14~3.6V |
1.71~3.6V |
1.14~1.26V |
||
|
GW1N-UV4 |
3.3V |
1.14~3.6V |
2.375~3.6V |
- |
||
|
GW1N-UV9 |
3.3V |
1.14~3.6V |
2.375~3.6V |
- |
||
・VCC:コア電圧、VCCIO:IOバンク電圧、VCCX:補助電圧、VCCD:MIPI電圧を表します。
・パッケージによってIOバンクは複数搭載されるため、IOバンク毎に異なるIOバンク電圧を供給可能です。
・内蔵のMIPI D-PHYを使用しない場合、VCCDはフローティングで使用可能です。
・4電源で足りる場合は上記①、5電源以上必要な場合は①+②での電源構成を推奨します。