商品基礎情報
主な特徴
ITU-T 5GおよびO-RAN規格に準拠した最高精度
- 光インターフェース:1G~800G
- 電気インターフェース:100M~10G
- PAM4光インターフェース:5ns未満の精度(250ps分解能)
- ITU-T G.826xおよび827x規格に基づき、SyncE、ワンダ、ESMC、PTPを評価
- 各市場におけるPTPプロファイルの規格準拠テスト
- 最新世代PAM4(112G)光モジュール対応:QSFP112-DD (800G)、OSFP112 (800G)、QSFP112 (400G)、SFP112G (100G)
- ブラウザベースのWeb GUI対応
- テストケース駆動型ワークフロー
PTP測定機能
PTPおよびSyncEワンダの包括的なテスト機能を搭載しており、800GbEを含むあらゆるインターフェースレートにおいて、高い精度と再現性でPTPタイムエラー(Time Error)とSyncEワンダを同時にテストすることが可能です。出力パケットのタイミング、復調クロック、およびSyncEワンダの測定も一元的に実施できます。
- Time Error(TE)の解析:
- Class-C/D T-Boundary Clock や Class-B PRTC/Master Clock などの時間誤差(Time Error: TE)を分析します。
- 規格準拠のインペアメント試験:
- 標準規格で定義された時間誤差の劣化パターン(ITU-T G.8273.2, G.8271.1/1.2, G.8261等)を適用可能です。
- 複合試験の実施:
- SyncEやESMCと組み合わせることで、「SyncEトランジェントに対する位相雑音応答」など複雑なテストにも対応します。
(左) PTPアプリケーションにおけるテストの接続イメージ (右) CAT(Calnex Analysis Tool)
PTPクロックエミュレーション機能
- バウンダリクロック/トランスペアレントクロック(ITU-T G.8273.2) Class-C, Class-Dデバイス対応
- 補助型部分タイミングサポートクロック(A-PTSC)テスト(ITU-T G.8273.4)
- PRTCテスト(ITU-T G.8272)— Class-Bデバイス対応
- timeTransmitter/timeReceiverの完全パラメトリック制御によるエミュレーション
対応PTPプロファイル
- IEEE 1588-2008 (Default Profile)
- ITU-T G.8265.1 (L3 Unicast / Frequency profile)
- ITU-T G.8275.1 (L2 Multicast / Phase/Time profile)
- ITU-T G.8275.2 (L3 Unicast / Phase/Time profile)
- SMPTE ST 2059-2 (Broadcast / Professional Media profile)
- O-RAN.WG4.CONF.O (O-RAN synchronization)
- IEEE C37.238 / IEC/IEEE 61850-9-3 (Power profile ※ユーザー定義設定による)
- User-defined Profile (任意のパラメータ設定によるカスタムプロファイル)
SyncEアプリケーション - ITU-T G.8262.1/G.8262 およびO.174 (Wander)
SyncEアプリケーションにおけるテストの接続イメージ
Paragon neo-Sは、ITU-T G.8262.1、G.8262、およびO.174に完全対応しており、Wander Tolerance, Wander Transfer, Wander (Noise) generation, Pull-in, Hold-in, Pull-out ranges, Frequency Accuracy, Phase Transientの評価をサポートしています。また、eEEC/EECテスト(ITU-T G.8262.1/G.8262)にも対応しています。
さらに、ITU-T G.8264に準拠したESMC/SSMに対応しており、双方向のQL(Quality Level)変化のグラフィカル表示や、拡張SSMを含むESMCメッセージの生成・解析が可能です。
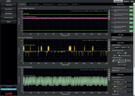
Calnex Analysis Tool (CAT)
CATの操作画面
Calnex Analysis Tool (CAT) は、ネットワークおよびデバイスの性能に関する高度な分析を提供します。すべての測定結果を一元管理できるだけでなく、複数のグラフを同時に表示できるため、結果の相関関係を容易に把握することが可能です。さらに、進化したグラフィック機能により、MTIEやTDEVなどの指標をITU-TやO-RANのマスク(許容値)に照らして簡単に評価できます。
PTP Field Verifier(PFV)
PFVの解析画面
- PTPプロトコルの解析:
- 標準規格またはユーザー定義プロファイルへの適合性を確認するために、PTPプロトコルを解析します。
- 自動PASS/FAIL判定:
- キャプチャしたPTPメッセージをPTP規格に照らしてチェックし、明確なPASS/FAILのアラートを表示
規格適合性試験アプリケーション
メイン操作画面
- 自動生成と評価:
- PTPおよびESMCメッセージ、Time Error(時刻誤差)およびSyncEインペアメント(障害)を自動的に生成します 。
- フィルタとメトリクスの適用:
- フィルタ、メトリクス、およびマスクの適用を自動で行います 。
使いやすい操作環境
- ブラウザベースGUI:
- PC、Mac、Androidタブレットのいずれからでも、1024×768以上の解像度を持つブラウザで操作可能(RJ45 LAN接続)
- テストケース駆動型ワークフロー:
- グラフィカルな操作画面でテスト設定を直感的に構成。リアルタイムでステータスと結果を確認
- 完全自動化対応:
- TCL、PerlおよびPython対応によるスクリプト作成
- 自動スクリプトリコーダーで手動操作を即座にスクリプト化
- Calnex Test Sequencer(CTS)と連携し、ユーザー定義テストプランの作成・実行を支援